



|
Parameter
|
Compartment
|
Status
|
|
Background/ambient conditions
|
Water Column (several parameters)
|
Often well-known or easily measurable
|
|
Background/ambient conditions
|
Benthic (several parameters)
|
|
|
Fish fecal settling rate
|
Water column
|
For many important fish species well known, and easily determined if not
|
|
Waste fish feed settling rate
|
Water column
|
|
|
Fish fecal deposition flow rate
|
Water/benthic interface
|
Less well known
|
|
Waste fish feed deposition flow rate
|
Water/benthic interface
|
|
|
Fish fecal resuspension rate
|
Water/benthic interface
|
Less well known but linked to deposition rate
|
|
Waste fish feed resuspension rate
|
Water/benthic interface
|
|
|
Erosion rate constant
|
Benthic
|
Less well known
|
|
Sediment TOC consolidation rate
|
Benthic
|
Less well known
|
|
Location
|
Data Type
|
Setup
|
Collaborator
|
|
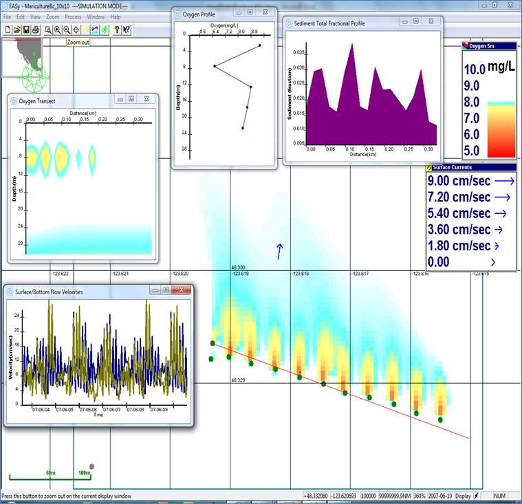
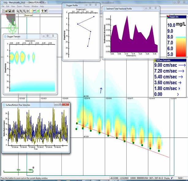
British Columbia
|
Benthic
|
Completed
|
Department of Fisheries & Oceans
|
|
Nova Scotia
|
Benthic
|
Commenced
|
Dalhousie Univ. & Cooke Aquaculture
|
|
Gulf of Maine
|
Water Column
|
Underway
|
Dr. David Fredriksson, Naval Academy
|
|
Puget Sound
|
Water Column
|
Underway
|
Rensel Associates, WDOE data
|
|
Offshore Kona Hawaii
|
Benthic
|
Well underway
|
NOAA & Blue Ocean Mariculture
|